Bauanleitung für einen Scheibenwischerintervallschalter
Die von mir gebaute Schaltung wurde getestet und befindet sich noch im Einsatz, für eventuelle Schäden an anderen Fahrzeugen oder Folgeschäden übernehme ich keine Gewähr, hierfür ist jeder selbst verantwortlich!
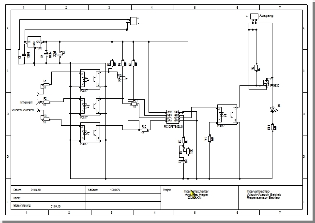
Der von mir entworfene Intervallschalter hat eine stufenlos einstellbare Intervallzeit (1-45s), eine Wisch-Wasch Automatik mit verzögertem Anlauf der Wischer und ein Nachwischen nach 8s, sowie ein vorbereiteter Regensensoreingang der den Intervallbetrieb startet. Das Wisch-Waschen ist immer vorrangig und unterbricht den Intervallbetrieb! Der Ausgang kann bis zu 20A schalten. Wird größere Leistung benötigt, muss ein anderer FET, oder ein zusätzliches Relais eingesetzt werden. Der Regensensoreingang muss eventuell mit einem Spannungsteiler angepasst werden, ab <6V schaltet der Optokoppler sicher und startet den Intervallbetrieb.
Die gesamte Schaltung ist sehr einfach gehalten und kann auch von einem Laien gebaut werden. Der Umgang mit einem Lötkolben ist natürlich Voraussetzung.
Der Preis für die wenigen Bauelemente liegt unter 8€. Es wird nicht unbedingt eine fertig geätzte Leiterplatte benötigt, man kann auch alles auf einer Lochrasterplatine verbinden.
Das Programm für den Mikrocontroller befindet sich ebenfalls in dieser Bauanleitung. Der Controller kann bei mir auch kostenlos gebrannt werden oder für 4€ komplett und gebrannt erworben werden.
Bedienung:
Die Schaltung besitzt 3 digitale Eingänge, 1 Analogeingang und einen digitalen Ausgang.
GPIO,0 = analoger Eingang, einstellbare Intervallzeit
GPIO,1 = Ausgang, schaltet +12V zum Scheibenwischermotor
GPIO,3 = Wisch-Wasch Eingang, +12V von Scheibenwischerschalter
GPIO,4 = Intervalleingang, +12V vom Scheibenwischerschalter
GPIO,5 = Regensensoreingang, > 6V wenn vorhanden
Nach vorheriger Absprache, ist es auch möglich die Wisch- und Pausenzeiten zu ändern, um sie an das jeweilige Fahrzeug anzupassen (Wischergeschwindigkeit).
Funktion:
Die Zeitsteuerung der verschiedenen Signale übernimmt ein Mikrocontroller vom Typ PIC 12f675, nach dem er programmiert wurde. Die Leistungsseite übernimmt ein P-Kannal-FET. Ich habe einen J 401 verwendet. Die 3 Eingänge und der FET sind über Opptokoppler mit dem Controller verbunden. Nicht um unbedingt eine Galvanische Trennung zu erreichen, sondern um die 12V Bordnetz von den 5V Betriebsspannung der Controllers sauber zu trennen. Möchte man eine Galvanische Trennung, muss man nur die Massen zwischen 12V und 5V auftrennen. Die 5V Versorgungsspannung für den Controller wird von einem Festspannungsregler 7805 eingestellt. Die Anschlüsse des Potis für die einstellbare Intervallzeit dürfen nicht mit dem 12V Bordnetz in Berührung kommen!
Auf Anfrage kann die Schaltung von mir auf einen N-Kanal-FET umgestellt werden, wenn man einen geschalteten Minus benötigt, oder auch auf minus gesteuerte Eingänge.
Stückliste mit Reichelt-Bestellnummern:
|
Artikel |
Bestellnummer |
Preis |
|---|---|---|
|
Microcontroller DIP 8 |
PIC 12F675 |
1,25 € |
|
Leistungs FET oder ähnlichen |
IRF 9530 N |
0,52 € |
|
Optokoppler 4x |
PC 817X |
1,00 € |
|
Widerstände |
diverse |
~1,00 € |
|
Kondensator |
diverse |
0.50 € |
|
Diode |
161026-62 |
0,18 € |
|
Festspannungsregler |
ΜA 7805 |
0,25 € |
Controllerprogramm mir zeitverzögerten Wischeranlauf bei Wisch-Wasch
Controllerprogramm für Sprühdüsen am Wischer
So habe ich das immer aufgebaut, Irrtümer und Änderungen vorbehalten!