Multiband Fuchsantenne selbst gebaut
Ich habe mir eine sehr einfache Fuchsantenne für das 80m –10m Band selber gebaut. Dimensioniert habe ich sie für 100W.
Der Vorteil einer Fuchsantenne ist ihre Einfachheit und durch ihre Hochohmigkeit kann ganz auf eine gute Erdverbindung oder Radials verzichtet werden. Letzteres war auch mein Hauptgrund zum Bau dieser Antenne.

Funktion:
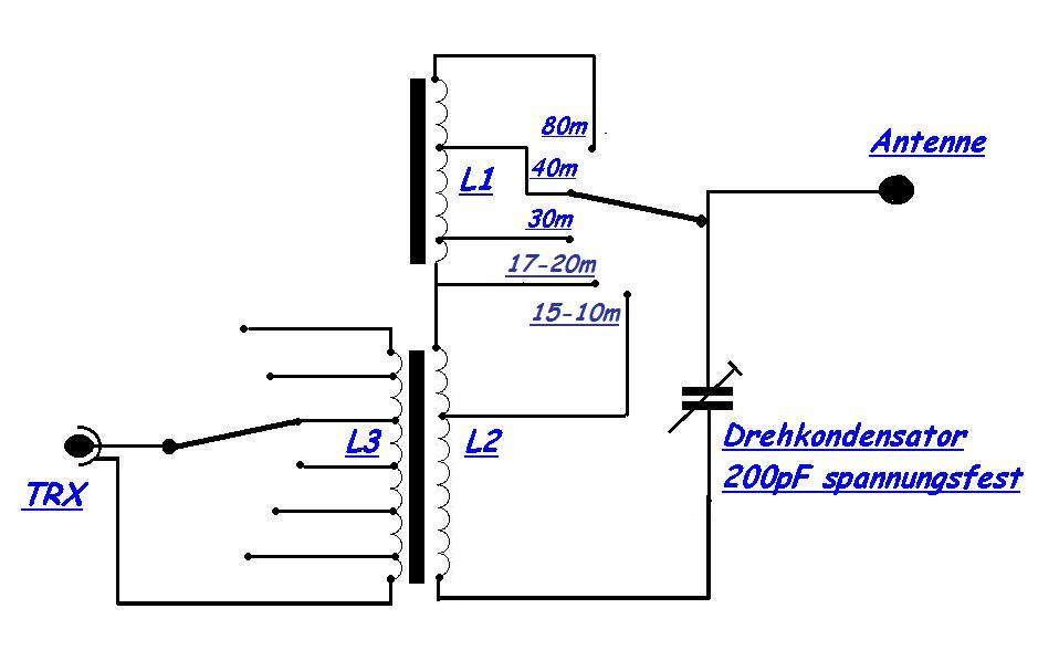
Die Fuchsantenne wird über einen Parallelschwingkreis erregt, der im Resonanzfall hochohmig ist genau wir der Strahlereingang. Eine Fuchsantenne ist immer Lambda/2 oder Vielfache lang. Um alle Bänder abzudecken, habe ich einen 41,7m langen Strahler gewählt. Der Fuchskreis besteht aus einer Spule mit verschiedenen Anzapfungen auf 130-2 Ringkern und einen Drehkondensator mit 200 pF. Der Drehkondensator ist nicht einfach zu beschaffen und sollte mindesten 2 kV spannungsfest sein. Bei ebay sind immer welche im Umlauf. Der Eingang wird dann mit einer 2.Spule, auch auf 130-2 Ringkern induktiv eingekoppelt, mit verschiedenen Anzapfungen zur genauen Einstellung der Anpassung. Die Spulen habe ich mit dem Programm von Erwin Kleitsch DF2SKE berechnet und mit 1mm Kupferlackdraht bewickelt. Die Anzapfungen werden mit Schaltern umgeschalten um die genaue Induktivität zu erreichen und den Eingang anzupassen. Wegen den hohen Spannungen die auftreten können, habe ich immer eine Leerstufe eingefügt. Bei meinen meist kurzen QSO mit einem 100W FT-757, auch mit PSK, ist die Fuchskreisspule kalt geblieben und die Koppelspule meist nur handwarm. Selbst nach einen längern Test mit voller Leistung, konnte ich die Koppelspule gerade noch anfassen (~40°C). Für mehr Sicherheit kann man den T 200-2 verwenden (siehe Tabelle) und dann müsste alles auf einen Ringkern passen. Aus meiner Sicht ist das für mich nicht notwendig!
Bedienung:
Den Empfänger auf die gewünschte Frequenz einstellen und mit den Schaltern und dem Kondensator das maximale Rauschen suchen. Da muss man etwas Gefühl habe, da dass Rauchmaximum sehr spitz ausfällt, übrigens ein Zeichen, dass unsere Fuchsantenne eine hohe Güte hat. Zum Schluss noch einen Feinabgleich am C mit geringer Sendeleistung und dazwischen geschalteter SWR-Messbrücke.



|
Spule |
Anzapf |
T130-2 |
T200-2 |
|---|---|---|---|
|
L1 |
80m |
39 Windg |
36 Windg |
|
40m |
17 Windg |
16 Windg |
|
|
30m |
7 Windg |
6 Windg |
|
|
17-20m |
0 Windg |
0 Windg |
|
|
L2 |
15-10m |
3 |
3 |
|
L2 |
|
6 |
6 |
|
L3 |
jede W. |
6 |
6 |
|
Messwerte |
|||||||
Das SWR für das 10m Band fällt etwas schlecht aus und es hat sich kaum verändern lassen. Wahrscheinlich liegt vom Drehkondensator die minimale Kapazität ziemlich hoch. Die für mich wichtigen 20/30/40/80m Bänder funktionieren gut bis sehr gut und lassen sich über den ganze Bandbereich gut einstellen.
|
Artikel |
Bestellnummer |
Preis |
|---|---|---|
|
Drehkondensator 200pf 2mm Plattenabs. |
diverse |
10-30€ |
|
12 poliger Schalter 2x |
DS 1 |
3,60 € |
|
Metallgehäuse TEKO oder Eigenbau |
TEKO 385 |
19.95 € |
|
Amidon 130-2 2x |
130-2 |
4,30 € |
|
PL Buchsen |
SO 239 SH |
0,71 € |
|
Buchse |
PK 4RT |
0,51 € |