Eine Soundkarten-Interface für die digitalen Betriebsarten auf Kurzwelle
Die von mir gebaute Schaltung wurde getestet und befindet sich noch im Einsatz, für eventuelle Schäden an anderen ‚Geräten oder Folgeschäden übernehme ich keine Gewähr und ist jeder selber verantwortlich!
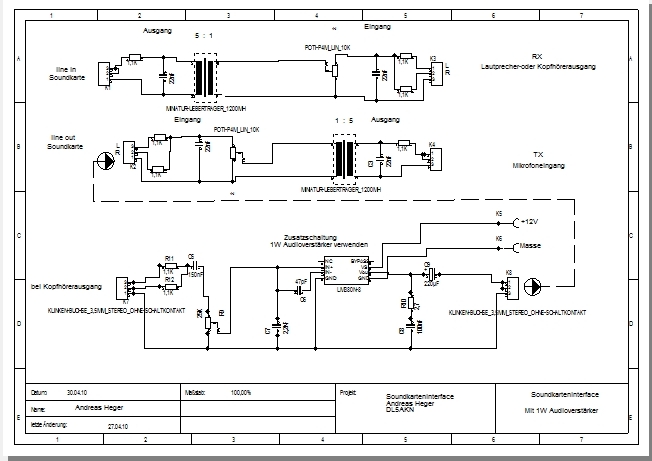
Die Schaltung wird zum Anschluss eines TRX an einem Computer mit Soundkarte benötigt. Sei es nur für einfachen RTTY-Empfang oder z.B. die vollwertige Winmor oder PSK-Mail Betriebsart zu nutzen. Ich habe das Senden immer im Vox-Betrieb betrieben.
Da mein alter Laptop auf dem Boot nur einen Kopfhörerausgang hat, habe ich mir noch einen kleinen Audioverstärker gebaut, um den NF-Pegel auf ein Niveau zu bringen, dass Senden mit voller Leistung möglich ist.
Funktion:
Beide Strecken, Senden und Empfangen, werden mit Übertragern galvanisch getrennt um Brummschleifen zu verhindern. Ich habe Conrad-Übertrager verwendet, da ich die gerade übrig hatte (grüner Punkt-Eingang-nierderohmige Seite).Ähnliche Übertrager gibt es auch bei Reichelt. Beide Kanäle der Line-in und Line-out Ausgängen werden über 1k Widerstande verbunden um Kurzschlüsse zu vermeiden. Mit einem Poti als Spannungsteiler kann man sich den gewünschten Pegel einstellen. Sollte der Pegel zum Senden nicht ausreichen, dann muss der 1W-Autioverstärker mit OP dazwischen geschaltet werden. Den Verstärkerausgang mit dem Poti R1 so einstellen, dass man mit dem Pegelsteller am Interface in der Mittelstellung ist.
Ich habe mir den Verstärker extern zum dazwischen stecken gebaut, man kann natürlich alles in ein Gehäuse bauen.
Optimale Grundeinstellung:
Potis auf dem Interface in Mittelstellung, Poti Mic am TRX in Mittelstellung, ALC Anzeige eingeschaltet. Nun z.B. ein 1KHz Signal am PC einschalten, TRX auf Senden und den Soundkartenregler so weit aufschieben, dass die ALC-Anzeige gerade beginnt sich zu bewegen, fertig.
Weitere Einstellungen die dann beim Senden notwendig sind, nur am Poti Mic am TRX vornehmen. Falls der Auschlag der ALC-Anzeige beim Senden mit Voller Leistung (Poti Mic voll auf) nicht über die Hälfte geht, dann Poti am Interface etwas weiter aufdrehen. ALC-Anzeige beim Senden beobachten und mit dem Poti Mic am TRX im grünen Bereich halten um Verzerrungen zu vermeiden!
Bestellung Reichelt:
|
Artikel |
Bestellnummer |
Preis |
|---|---|---|
|
OP LM 380 mit Sockel |
LM 380 DIP 8 |
1,10 € |
|
Übertrager 1:5 2x |
Conrad 516236 |
6,96 € |
|
Kondensatoren |
diverse |
1,50 € |
|
Widerstände |
diverse |
~1,00 € |


So habe ich das immer aufgebaut, Irrtümer und Änderungen vorbehalten!