Bauanleitung zur Erzeugung verschiedener Nebelhornsignale
Die von mir gebaute Schaltung wurde getestet und befindet sich noch im Einsatz, für eventuelle Schäden oder Folgeschäden übernehme ich keine Gewähr und ist jeder selber verantwortlich!
Die von mir entworfene Schaltung kann die 5 wichtigsten Signale erzeugen, die man auf einer Segelyacht bei Nebel oder schlechter Sicht benötigt und man kann am Ausgang ein Nebelhorn mit bis zu 20A schalten. Wird größere Leistung benötigt, muss ein anderer FET, oder ein zusätzliches Relais eingesetzt werden. Falls kein Nebelhorn zur Verfügung steht, schaltet man den kleinen Schalter auf der Platine ein und der FET schwingt mit einem 300 Hz Rechtecksignal. Jetzt kann ein normaler 8 Ohm Lautsprechers am besten ab 15W Leistung angeschaltet werden und man erzeugt ein tiefes, durch das Rechtecksignal sattes Nebelhornsignal. Wenn man die Lautstärke regulieren möchte, muss noch ein Spannungsteiler am Ausgang zum Lautsprecher, oder einen Elko >330µF/63 zwischen FET-Drain und Lautsprecher klemmen, der dämpft auch.
Die gesamte Schaltung ist sehr einfach gehalten und kann auch von einem Anfänger gebaut werden. Umgang mit einem Lötkolben ist natürlich Voraussetzung.
Der Preis für die wenigen Bauelemente liegen unter 8€. Es wird nicht unbedingt eine fertig geätzte Leiterplatte benötigt, man kann auch alles auf eine Lochrasterplatine verbinden.
Bei mir kann das Programm für den Mikrocontroller oder der Controller komplett und gebrannt für 20€ erworben werden.
Bedienung:
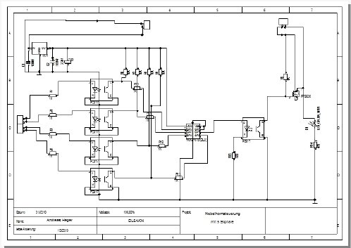
Die Schaltung besitzt 4 Schalter an die keine großen Anforderungen gestellt werden.
Nur Schalter 1 eingeschaltet = Achtungssignal, alle 2 Minuten ein langer Ton
Nur Schalter 2 eingeschaltet = Segelboot in Fahrt, alle 2 Minute Lang-Kurz-Kurz
Nur Schalter 3 eingeschaltet = Segelboot vor Anker, jede Minute Kurz-Lang-Kurz
Nur Schalter 4 eingeschaltet = bleib weg Signal, 5 mal Kurz jede Minute
Wenn 2 Schalter gleichzeitig eingeschaltet sind, egal welche beiden = Notsignal Mayday = ein langer Ton 20s dann Kurz-Kurz-Kurz-Lang-Lang-Lang-Kurz-Kurz-Kurz 15s Pause wieder von vorn.
Nach vorheriger Absprache, ist es auch möglich andere Signale einzusetzen und das Controllerprogram von mir zu bekommen.
Funktion:
Die
Zeitsteuerung der verschiedenen Signale übernimmt ein
Mikrocontroller vom Typ PIC 12f675 inklusive, wenn gewünscht,
dass Schwingen mit 300 Hz des Ausgangs, nach dem er natürlich
programmiert wurde. Das Programm ist sehr einfach und kann leicht
geändert werden, da die meisten Zeiten immer wieder verwendet
werden. Die Leistungsseite übernimmt ein P-Kannal-FET. Ich habe
einen J 401 verwendet. Die 4 Schalter und der FET sind über
Opptokoppler mit dem Controller verbunden. Nicht um unbedingt eine
Galvanische Trennung zu erreichen, sondern um die 12V Bordnetz von
den 5V Betriebsspannung der Controllers sauber zu trennen. Möchte
man eine Galvanische Trennung, muss man nur die Massen zwischen 12V
und 5V auftrennen. Die 5V Versorgungsspannung für den Controller
wird von einen Festspannungsregler 7805 eingestellt.
Die Schaltung verbraucht im Standby-Betrieb weniger als 20 mA. Um aber auch diesen Verbrauch zu sparen, kann man die Betriebsspannung der Schaltung mit dem jeweiligen Schalter mit zu schalten. Der Controller hat 4 MHz internen Takt und ist sehr schnell betriebsbereit!
Auf Anfrage kann die Schaltung von mir auf einen N-Kanal-FET umgestellt werden, wenn man einen geschalteten Minus benötigt, oder auch andere Signale programmiert werden.
Stückliste mit Reichelt-Bestellnummern:
|
Artikel |
Bestellnummer |
Preis |
|---|---|---|
|
Microcontroller DIP 8 |
PIC 12F675 |
1,25 € |
|
Leistungs FET oder ähnlichen |
IRF 9530 N |
0,52 € |
|
Optokoppler 5x |
PC 817X |
1,25 € |
|
Widerstände |
diverse |
~1,00 € |
|
Kondensator |
diverse |
0.50 € |
|
Diode |
161026-62 |
0,18 € |
|
Festspannungsregler |
ΜA 7805 |
0,25 € |
So habe ich das immer aufgebaut, Irrtümer und Änderungen vorbehalten!